概述
KNS系列的离网逆变器是光伏和风力系统新一代专用电源,主要针对光伏发电和风力发电,采用先进的正弦波脉宽调制(SPWM)技术,主电路采用德国英飞凌IGBT模块,驱动保护为日本三菱厚膜电路,具有可靠性高、保护功能全、波形失真小、功率大等优点。
主要特点
(1)主电路采用美国INTEL公司微处理器、德国英飞凌公司IGBT模块、驱动保护为日本三菱机芯,输出部分采用隔离变压器,安全可靠
(2)采用SPWM脉宽调制技术,输出为稳频稳压、失真度低的纯净正弦波
(3)全桥电路结构,适用于任何负载
(4)直流输入端采用先进的反灌杂音抑制技术,交流输入端采用多重滤波,消除市电电网的干扰,与其他共用直流屏的通讯设备互不干扰
(5)交流旁路不间断切换
(6)具有全方位的电源保护方案和完善的自我检测和保护功能。在出现直流输入电压过低告警、输出过载告警、过热告警及短路时,电源将关闭逆变输出,故障排除后,手动复位电源正常工作;输入欠压保护故障消除后输出将自动恢复
(7)电路结构紧凑、效率高、功能强
(8)组屏安装,美观大方
(9)默认防护等级为IP22(可根据需要定制防护等级)
1. 单相光伏/风力离网好色先生APP下载IOS
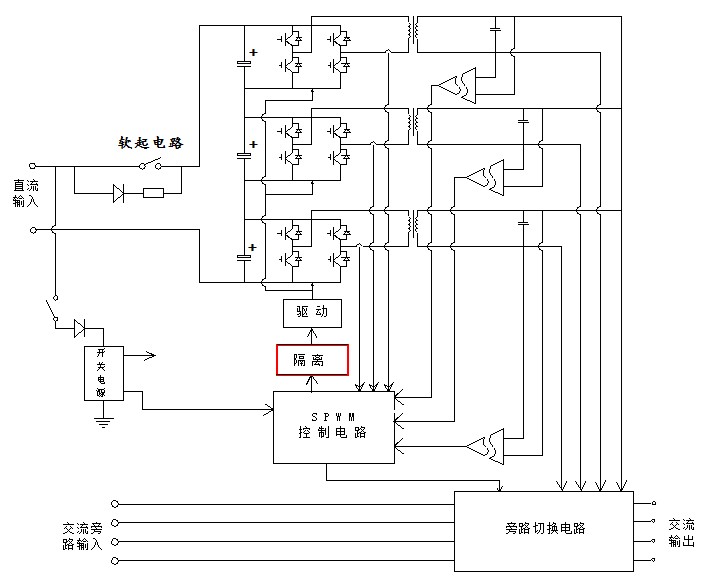
系统工作原理
好色先生APP下载IOS在逆变正常时,直流逆变输出经过切换开关直接输出给负载供电,当逆变故障时,电源可以迅速切换至旁路供电状态,转换时间≤200ms(精密负载可选配<10ms的快切款),给负载提供不间断供电,当逆变再次正常时,电源会自动切换至逆变供电模式;具体原理如下图:

单相好色先生APP下载IOS原理示意图
单相好色先生APP下载IOS显示页面
1) 主页面

2) 故障信息子页面

3) 数据显示子页面

单相好色先生APP下载IOS技术指标
型 号 | KNS–D–*K | ||||||||
功率(KVA) | 1K | 5K | 10K | 20K | 30K | 50K | 75K | 100K | |
直 流 输 入 | 输入额定电压(VDC) | 48V、96V、120V、192V、240V、360V、420V、480V | |||||||
输入电压可定制 | 24V-1000V区间可定制 | ||||||||
交流 输入 | 允许输入电压范围(VAC) | 220±15% | |||||||
输入频率范围(Hz) | 50Hz±5Hz | ||||||||
旁路转换时间(ms) | ≤200或<10(选配) | ||||||||
交 流 输 出 | 输出额定电压及频率 | 220VAC,50Hz | |||||||
输出电压精度(V) | 220±1% | ||||||||
输出频率精度(Hz) | 50±0.1% | ||||||||
输出额定电流(A) | 4.5 | 22.7 | 45.5 | 91 | 136.5 | 227.5 | 340.5 | 455 | |
波形失真率(THD) (线性负载) | ≤3% | ||||||||
动态响应时间 (负载0←→100%) | 2ms | ||||||||
功率因数(PF) | 0.8 | ||||||||
过载能力 | 110%,10分钟、200%,10秒 | ||||||||
峰值系数(CF) | 3:1 | ||||||||
逆变效率 | ≥90% | ||||||||
工 作 环 境 | 绝缘强度(输入和输出) | 1500VAC,1分钟 | |||||||
噪音(1米) | ≤65dB | ||||||||
使用环境温度 | -10℃~+50℃ | ||||||||
湿度 | 0~90%,不结露 | ||||||||
使用海拔(m) | <2000(>2000m需降容使用) | ||||||||
指示灯 | 市电,逆变 | ||||||||
显示方式 | LED数码管/触摸屏(可选) | ||||||||
保护功能 | 输入接反保护、输入欠压保护、输入过压保护、输出过载保护、输出短路保护,过热保护. | ||||||||
2. 三相光伏/风力离网逆变器
系统工作原理
好色先生APP下载IOS在逆变正常时,直流逆变输出经过切换开关直接输出给负载供电,当逆变故障时,电源可以迅速切换至旁路供电状态,转换时间≤200ms(精密负载可选配<10ms的快切款),给负载提供不间断供电,当逆变再次正常时,电源会自动切换至逆变供电模式;具体原理如下图:

三相好色先生APP下载IOS原理示意图
三相好色先生APP下载IOS显示页面
1) 主页面

2) 故障显示子页面

3) 数据显示子页面

三相好色先生APP下载IOS技术指标
型号 | KNS—S—*K | ||||||||
功率(KVA) | 10K | 30K | 60K | 100K | 200K | 500K | 800K | 1000K | |
直流 输入 | 输入额定电压(VDC) | 48V、96V、120V、192V、240V、360V、420V、480V | |||||||
输入电压可定制 | 24V-1000V区间可定制 | ||||||||
交流 输入 | 允许输入电压范围(VAC) | 380±15% | |||||||
输入频率范围(Hz) | 50Hz±5Hz | ||||||||
旁路转换时间(ms) | ≤200或<10(选配) | ||||||||
交流 输出 | 输出额定电压及频率 | 380VAC,50Hz | |||||||
输出电压精度(V) | 380±1% | ||||||||
输出频率精度(Hz) | 50±0.1% | ||||||||
输出额定电流(A) | 15.2 | 45.6 | 91.2 | 152 | 304 | 760 | 1216 | 1520 | |
波形失真率(THD) (线性负载) | ≤3% | ||||||||
动态响应时间 (负载0←→100%) | 2ms | ||||||||
功率因数(PF) | 0.8 | ||||||||
过载能力 | 110%,10分钟、200%,10秒 | ||||||||
峰值系数(CF) | 3:1 | ||||||||
逆变效率 | >90%(80%阻性负载) | ||||||||
工 作 环 境 | 绝缘强度(输入和输出) | 1500VAC,1分钟 | |||||||
噪音(1米) | ≤65dB | ||||||||
使用环境温度 | -10℃~+50℃ | ||||||||
湿度 | 0~90%,不结露 | ||||||||
使用海拔(m) | ≤2000(>2000m需降容使用) | ||||||||
指示灯 | 市电、逆变 | ||||||||
显示方式 | LED数码管/触摸屏(可选) | ||||||||
保护功能 | 输入接反保护、输入欠压保护、输出过载保护、输出短路保护,过热保护. | ||||||||
技术支持
联系好色先生APP下载
地址:江苏省常州市武进区湖塘科技产业园
电话:0519-81695559
传真:0519-83995559
手机:13376265559(沈经理)
E_mail:13376265559@qq.com
网 址:www.hlyun1.com
资深团队,为您免费提供好色先生下载安装解决方案,您还在等什么?